




關鍵詞:熱風爐 | 燃氣熱風爐
產品描述:廢氣余熱有機熱載體鍋爐是利用工業生產過程中的廢熱排氣作為熱源,(主要由冶金、碳素、化工及內燃機、燃氣輪機的廢熱排氣),以導熱油為熱載體,由熱油泵強制循環,將熱能···
訂購熱線:13815029577
產品分類
PRODUCT CATEGORY
聯系方式
CONTACT INFO
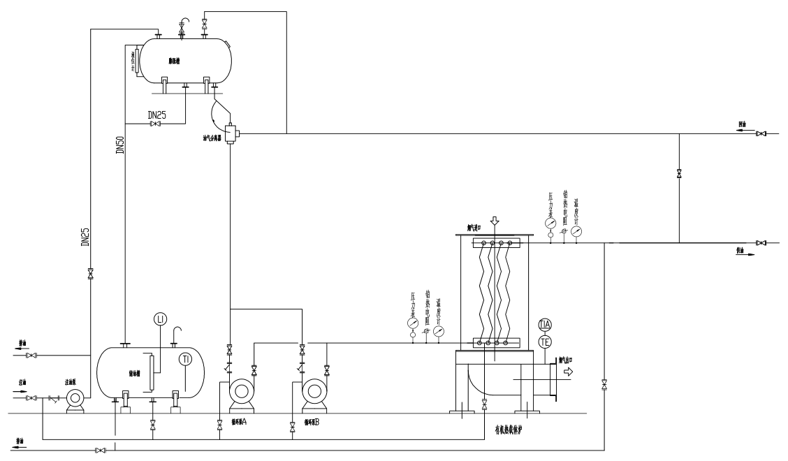
廢氣余熱有機熱載體鍋爐是利用工業生產過程中的廢熱排氣作為熱源,(主要由冶金、碳素、化工及內燃機、燃氣輪機的廢熱排氣),以導熱油為熱載體,由熱油泵強制循環,將熱能輸送給用熱設備,繼而又返回重新加熱的高效節能供熱設備。
具體見《余熱熱有機載體鍋爐供熱流程圖》
系統包括余熱有機熱載體鍋爐,配套導熱油供熱循環系統,電氣控制系統。
導熱油供熱循環系統:由余熱有機熱載體鍋爐主機、高溫循環油泵、熱用戶(用熱設備)、油氣分離器及相關閥門管線構成,如儲油槽、膨脹槽、注油泵等也都是不可缺少的輔助管路及設備。
電控柜控制系統:電控柜控制系統由電器控制柜及其檢測、顯示儀表等組成,分動力控制和儀表顯示控制兩部分。
致用戶:
作為的導熱油鍋爐生產廠完全能勝任該設備及系統的各種技術咨詢和服務,是保證您大膽采用本產品的一項重要措施,只要您需要,可向我公司聯系,聯系電話:13815029577,我廠專業人員以豐富的經驗和迅速、正確、誠懇的服務宗旨,隨時為您進行工作。
常州市上能鍋爐有限公司聯系方式
聯系人:芮亞平
手機:+8613815029577
郵箱:czjnguolu@163.com
Email: czjnguolu@163.com
微信號:13815029577
工廠地址:中國常州高新區黃河西路225號